15X25 Feet House Design With Floor Plan And Elevation Plan No 104 - House Plan

Wednesday, February 2, 2022

15X25 Feet House Design With Floor Plan And Elevation Plan No 104

 

15'X25' House Design With Floor Plan And Elevation

Are you Looking For a 15'X25' House Design
In this blog, we will be discussing the above mentioned House Design


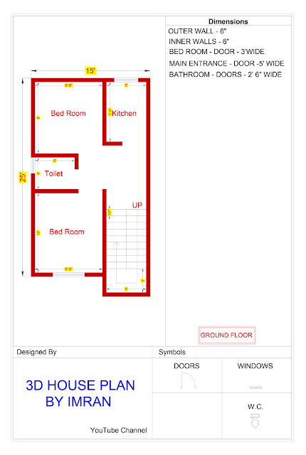
15'X25' Floor Plan


Ground Floor

The Ground Floor Consists of
Two Bed Room
 Toilet And Bath
Kitchen
Bike Parking
And Front Sitout/Entry.




First Floor

The Firsty Floor Consists of
Two Bed Room
Kitchen
 Toilet And Bath
And Front Balcony.

15'x25' House Design Elevation


3D Exterior And Interior Animation



The above Video Shows The complete Floor plan With dimension details and walkthrough of 15'X25' house design

Download 15'X25' House Design Project Files
After Downloading the 15'X25' Home Design Project File You Will get

AutoCAD Project Files
>Floor Plans
>Elevation
>Pdf

👇🏻Click On The Link To Get The Complete 15X25' Project File👇









No comments:

Post a Comment